升壓電路簡介
升壓電路圖,升壓電路簡介,是利用自舉升壓二極管,自舉升壓電容等電子元件,使電容放電電壓和電源電壓疊加,從而使電壓升高,有的電路升高的電壓能達到數倍電源電壓。
直流升壓電路圖
幾款簡單的直流升壓電路圖如下:




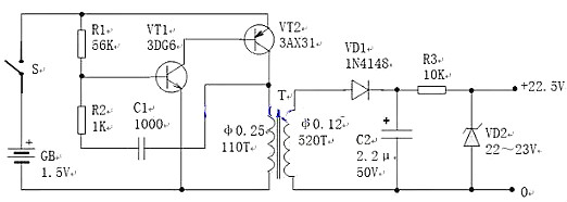
如圖所示是一種構造很簡單的小型直流升壓器,可用來取代15V的疊層電池。電路的核心元件一變壓器T使用的是袖珍驗鈔器的專用變壓器。電路耗電約40mA,輸出電壓為15V。如果萬用表15V電池的正極與1.5V電池的負極相接,只需將圖7—70中VD1(C1、VDZ的極性調過來,這樣將輸出一個-15V電壓)


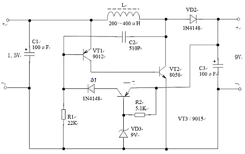
升壓電路圖,如圖所示是一種穩壓型直流升壓電路。該電路可將一節1.5V的電池升壓至9V,用來取代9V疊層電池使用。電路空載輸人電流低于1.2mA,轉換效率高達60%。該電路由振蕩電路和穩壓電路構成,其中VT1、VT2、C2組成振蕩器,色碼電感L為儲能電感,VD2為整流二極管,C3為輸出濾波電容,VT3、VD1、VD3及R2為穩定輸出電壓的穩壓電路。輸出電壓約等于VD3的穩壓值。


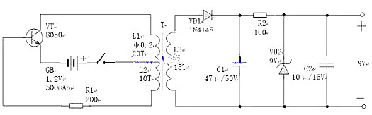
如圖所示是一種利用1.2V、500mAh的鎳鎘電池做電源的逆變電源電路,輸出直流電壓為9V,可供數字式萬用表使用。圖7-72中變壓器T利用15mm的磁環穿繞而成(元器件參數圖中均已標注人名為數字萬用表的電源開關。


升壓電路圖,如圖所示是自控式數字表逆變電源電路。它不需要單獨設立電源開關或對表內開關進行改造。該電路具有耗電省、穩定可靠、不影響儀表精度等特點。電路中的變壓器T是用E3型鐵氧體磁芯、各折去一角后加工成口字形,L2在內,L1在外。整個逆變電源工作時,電池工作電流約為70mA。


下圖為仿制電路:輸入可低至0.8V,輸出電流可達10mA,輸出開路,輸入電流為零。
T:E3日字型磁芯L1=18匝=125μH L2=180匝=12mH


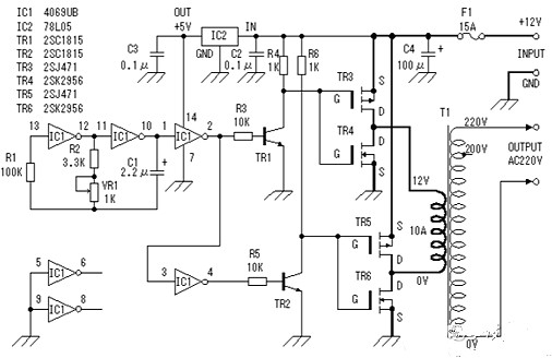
升壓電路圖-升壓器12v升220v電路圖
升壓器12v升220v電路其實就是一個震蕩電路,就是把直流電變成交流電,然后通過變壓器升壓變成220V,然后在輸出端接上用電器即可。
12v轉220v逆變器由逆變電路、邏輯控制電路、濾波電路三大部分組成,主要包括輸入接口、電壓啟動回路、MOS開關管、PWM控制器、直流變換回路、反饋回路、LC振蕩及輸出回路、負載等部分。
12v升220v升壓電路圖(一)
原理圖如下圖所示,采用了功率較大的三極管2N3055,而電阻只用了兩個,且最好電阻的功率選大一點,這樣電路的輸出功率也會相應地增加,上圖中用的是1W的400歐姆電阻,如果沒有1W的也沒關系,現在用到的最多的是1/4W的電阻,只要選擇四個電阻并聯大約是400Ω就可以了。


12v升220v升壓電路圖(二)


12v升220v升壓電路圖(三)
此逆變器主要由MOS場效應管,普通電源變壓器構成。其輸出功率取決于MOS場效應管和電源變壓器的功率。


12v升220v升壓電路圖(四)
如下圖,我們也可以清楚看到需的元件還有各個元件之間的連接情況,在電路功能上,除了變壓器T1用來升壓,電源V1用來供電之外,剩下的原件就是產生矩形波的電路。在電阻選擇上R1和R2一般在1.2k-4.7k之間,三極管無特別要求根據變壓器的容量選擇,容量大就用功率大點的;變壓器可用普通控制變壓器,只要有兩組12V就行,我們這個原理圖中選擇器件為變壓器0v-12V-12V,三極管用的達林頓管MJ11032,電阻4.7k,輸出功率能夠達到百瓦左右,也不算小了,不過變壓器的功率要選大點了,否則輸出功率沒有那么大。

烜芯微專業制造二三極管,MOS管,20年,工廠直銷省20%,1500家電路電器生產企業選用,專業的工程師幫您穩定好每一批產品,如果您有遇到什么需要幫助解決的,可以點擊右邊的工程師,或者點擊銷售經理給您精準的報價以及產品介紹

烜芯微專業制造二三極管,MOS管,20年,工廠直銷省20%,1500家電路電器生產企業選用,專業的工程師幫您穩定好每一批產品,如果您有遇到什么需要幫助解決的,可以點擊右邊的工程師,或者點擊銷售經理給您精準的報價以及產品介紹

