電路圖的分類
簡單電路圖入門,常遇到的電子電路圖有原理圖、方框圖、裝配圖和印版圖等。
1、原理圖
原理圖就是用來體現電子電路的工作原理的一種電路圖,又被叫做“電原理圖”。這種圖由于它直接體現了電子電路的結構和工作原理,所以一般用在設計、分析電路中。分析電路時,通過識別圖紙上所畫的各種電路元件符號以及它們之間的連接方式,就可以了解電路的實際工作情況。下圖所示就是一個收音機電路的原理圖。
2、方框圖(框圖)
方框圖是一種用方框和連線來表示電路工作原理和構成概況的電路圖。從根本上說,這也是一種原理圖。不過在這種圖紙中,除了方框和連線幾乎沒有別的符號了。它和上面的原理圖主要的區別就在于原理圖上詳細地繪制了電路的全部的元器件和它們連接方式,而方框圖只是簡單地將電路安裝功能劃分為幾個部分,將每一個部分描繪成一個方框,在方框中加上簡單的文字說明,在方框間用連線(有時用帶箭頭的連線)說明各個方框之間的關系。所以方框圖只能用來體現電路的大致工作原理,而原理圖除了詳細地表明電路的工作原理外,還可以用來作為采集元件、制作電路的依據。下圖所示的就是上述收音機電路的方框圖。

3、裝配圖
它是為了進行電路裝配而采用的一種圖紙,圖上的符號往往是電路元件的實物的外形圖。我們只要照著圖上畫的樣子,依樣畫葫蘆地把一些電路元器件連接起來就能夠完成電路的裝配。這種電路圖一般是供初學者使用的。
裝配圖根據裝配模板的不同而各不一樣,大多數作為電子產品的場合,用的都是下面要介紹的印刷線路板,所以印板圖是裝配圖的主要形式。
在初學電子知識時,為了能早一點接觸電子技術,我們選用了螺孔板作為基本的安裝模板,因此安裝圖也就變成另一種模式。
4、印板圖
印板圖的全名是“印刷電路板圖”或“印刷線路板圖”,它和裝配圖其實屬于同一類的電路圖,都是供裝配實際電路使用的。
印刷電路板是在一塊絕緣板上先覆上一層金屬箔,再將電路不需要的金屬箔腐蝕掉,剩下的部分金屬箔作為電路元器件之間的連接線,然后將電路中的元器件安裝在這塊絕緣板上,利用板上剩余的金屬箔作為元器件之間導電的連線,完成電路的連接。由于這種電路板的一面或兩面覆的金屬是銅皮,所以印刷電路板又叫“覆銅板”。印板圖的元件分布往往和原理圖中大不一樣。這主要是因為,在印刷電路板的設計中,主要考慮所有元件的分布和連接是否合理,要考慮元件體積、散熱、抗干擾、抗耦合等等諸多因素,綜合這些因素設計出來的印刷電路板,從外觀看很難和原理圖完全一致;而實際上卻能更好地實現電路的功能。
隨著科技發展,現在印刷線路板的制作技術已經有了很大的發展;除了單面板、雙面板外,還有多面板,已經大量運用到日常生活、工業生產、國防建設、航天事業等許多領域。
簡單電路圖入門之電路圖的組成
電路圖主要由元件符號、連線、結點、注釋四大部分組成。
元件符號表示實際電路中的元件,它的形狀與實際的元件不一定相似,甚至完全不一樣。但是它一般都表示出了元件的特點,而且引腳的數目都和實際元件保持一致。
連線表示的是實際電路中的導線,在原理圖中雖然是一根線,但在常用的印刷電路板中往往不是線而是各種形狀的銅箔塊,就像收音機原理圖中的許多連線在印刷電路板圖中并不一定都是線形的,也可以是一定形狀的銅膜。
結點表示幾個元件引腳或幾條導線之間相互的連接關系。所有和結點相連的元件引腳、導線,不論數目多少,都是導通的。
注釋在電路圖中是十分重要的,電路圖中所有的文字都可以歸入注釋—類。細看以上各圖就會發現,在電路圖的各個地方都有注釋存在,它們被用來說明元件的型號、名稱等等。
若不知電路的作用,可先分析電路的輸入和輸出信號之間的關系。如信號變化規律及它們之間的關系、相位問題是同相位,或反相位。電路和組成形式,是放大電路,振蕩電路,脈沖電路,還是解調電路。 電器修理、電路設計的工作人員都是要通過分析電路原理圖,了解電器的功能和工作原理,才能得心應手開展工作的。
作為從事此項工作的技術人員,首先要有過硬的基本功,要能對有技術參數的電路原理圖進行總體了解,能進行劃分功能模塊,找出信號流向,確定元件作用。要學會維修電器設備和設計電路,就必須熟練掌握各單元電路的原理。會劃分功能塊,能按照不同的功能把整機電路的元件進行分組,讓每個功能塊形成一個具體功能的元件組合,如基本放大電路,開關電路,波形變換電路等。
分析常用電路的幾種方法與步驟
1、交流等效電路分析法首先畫出交流等效電路,再分析電路的交流狀態,即:電路有信號輸入時,電路中各環節的電壓和電流是否按輸入信號的規律變化、是放大、振蕩,還是限幅削波、整形、鑒相等。
2、直流等效電路分析法畫出直流等效電路圖,分析電路的直流系統參數,搞清晶體管靜態工作點和偏置性質,級間耦合方式等。分析有關元器件在電路中所處狀態及起的作用。例如:三極管的工作狀態,如飽和、放大、截止區,二極管處于導通或截止等。
3、頻率特性分析法主要看電路本身所具有的頻率是否與它所處理信號的頻譜相適應。粗略估算一下它的中心頻率,上、下限頻率和頻帶寬度等,例如:各種濾波、陷波、諧振、選頻等電路。
4、時間常數分析法主要分析由R、L、C及二極管組成的電路、性質。時間常數是反映儲能元件上能量積累和消耗快慢的一個參數。若時間常數不同,盡管它的形式和接法相似,但所起的作用還是不同,常見的有耦合電路、微分電路、積分電路、退耦電路、峰值檢波電路等。
簡單電路圖入門-電路圖圖解分析
有初學電工的朋友說,始終看不懂電路圖,那么今天咱們用圖解的方式分析電路圖,以自保電路為例。

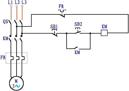
圖1
如圖1,即為自保電路,左側為主回路,右側為控制回路。先介紹一下圖中元器件,QS為斷路器,KM為接觸器(380V線圈),FR為熱繼電器,M為電機。SB1是停止按鈕,SB2是啟動按鈕。如果給帶電的部分標上紅色。如下圖2。

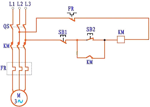
圖2
圖2中可看出,沒合上斷路器QS時,只有QS上火帶電。
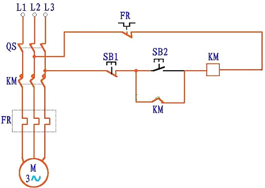
當合上QS以后,如下圖3。

圖3
右側控制回路當中可以看出,不按啟動按鈕SB2時,SB2常開點和KM常開點都沒閉合,所以前端電流無法通到接觸器KM線圈。KM只有后端一根線接通,形不成回路,所以不能吸合。左側主回路當中KM三個主觸點也就無法閉合,電機無法通電,所以停止。
當按下SB2以后,如下圖4:

圖4
圖4中看出,由于SB2常開閉合,電流通入KM線圈,KM吸合,主觸點閉合,電機轉動,同時KM常開輔助觸點閉合。

圖5
圖5中看出,即使松開SB2按鈕,SB2常開觸點斷開,但仍有電流通過KM常開點流入KM線圈,保持KM繼續吸合,電機繼續轉動,這就是自保,也叫自鎖。

圖6
如圖6,要停止時,按下停止按鈕SB1,常閉點斷開,切斷電流,KM釋放,電機停止,KM常開輔助觸點斷開。即使松開停止按鈕SB1,常閉點閉合,但SB2和KM常開點都是斷開狀態,所以KM仍然不吸合。

圖7
圖7中,如熱繼電器FR動作,FR常閉輔助觸點斷開,切斷接觸器線圈另一條線路,KM線圈形不成回路,釋放。
電路圖是人們為了研究和工程的需要,用約定的符號繪制的一種表示電路結構的圖形。通過電路圖可以知道實際電路的情況。這樣,我們在分析電路時,就不必把實物翻來覆去地琢磨,而只要拿著一張圖紙就可以了。在設計電路時,也可以從容地紙上或電腦上進行,確認完善后再進行實際安裝,通過調試、改進,直至成功。我們更可以應用先進的計算機軟件來進行電路的輔助設計,甚至進行虛擬的電路實驗,大大提高工作效率。
烜芯微專業制造二極管,三極管,MOS管,橋堆等20年,工廠直銷省20%,1500家電路電器生產企業選用,專業的工程師幫您穩定好每一批產品,如果您有遇到什么需要幫助解決的,可以點擊右邊的工程師,或者點擊銷售經理給您精準的報價以及產品介紹
烜芯微專業制造二極管,三極管,MOS管,橋堆等20年,工廠直銷省20%,1500家電路電器生產企業選用,專業的工程師幫您穩定好每一批產品,如果您有遇到什么需要幫助解決的,可以點擊右邊的工程師,或者點擊銷售經理給您精準的報價以及產品介紹

