MOSFET柵源保護知識
MOSFET柵源保護:功率MOS管自身擁有眾多優點,但是MOS管具有較脆弱的承受短時過載能力,特別是在高頻的應用場合,所以在應用功率MOS管對必須為其設計合理的保護電路來提高器件的可靠性。
MOSFET柵源保護-功率MOS管保護電路主要有以下幾個方面:
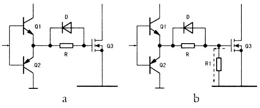
1.防止柵極 di/dt 過高
由于采用驅動芯片,其輸出阻抗較低,直接驅動功率管會引起驅動的功率管快速的開通和關斷,有可能造成功率管漏源極間的電壓震蕩,或者有可能造成功率管遭受過高的 di/dt 而引起誤導通。
為避免上述現象的發生,通常在 MOS 驅動器的輸出與 MOS 管的柵極之間串聯一個電阻,電阻的大小一般選取幾十歐姆。
2.防止柵源極間過電壓
由于柵極與源極的阻抗很高,漏極與源極間的電壓突變會通過極間電容耦合到柵極而產生相當高的柵源尖峰電壓,此電壓會使很薄的柵源氧化層擊穿,同時柵極很容易積累電荷也會使柵源氧化層擊穿,所以要在 MOS 管柵極并聯穩壓管以限制柵極電壓在穩壓管穩壓值以下,保護 MOS 管不被擊穿,MOS管柵極并聯電阻是為了釋放柵極電荷,不讓電荷積累。
3.防護漏源極之間過電壓
雖然漏源擊穿電壓 VDS 一般都很大,但如果漏源極不加保護電路,同樣有可能因為器件開關瞬間電流的突變而產生漏極尖峰電壓,進而損壞MOS管,功率管開關速度越快,產生的過電壓也就越高。
為了防止器件損壞,通常采用齊納二極管鉗位和 RC 緩沖電路等保護措施。
MOSFET柵源保護:
當電流過大或者發生短路時,功率MOS管漏極與源極之間的電流會迅速增加并超過額定值,必須在過流極限值所規定的時間內關斷功率 MOS 管,否則器件將被燒壞,因此在主回路增加電流采樣保護電路,當電流到達一定值,通過保護電路關閉驅動電路來保護MOS管。
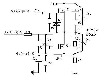
下圖是MOS管的保護電路,由此可以清楚的看出保護電路的功能。

MOS管的柵極和源極之間的電阻:
一是為場效應管提供偏置電壓;二是起到瀉放電阻的作用:保護柵極G-源極S;
保護柵極G-源極S:
場效應管的G-S極間的電阻值是很大的,這樣只要有少量的靜電就能使他的G-S極間的等效電容兩端產生很高的電壓,如果不及時把這些少量的靜電瀉放掉,兩端的高壓就有可能使場效應管產生誤動作,甚至有可能擊穿其G-S極;
這時柵極與源極之間加的電阻就能把上述的靜電瀉放掉,從而起到了保護場效應管的作用。

烜芯微專業制造二極管,三極管,MOS管,橋堆等20年,工廠直銷省20%,4000家電路電器生產企業選用,專業的工程師幫您穩定好每一批產品,如果您有遇到什么需要幫助解決的,可以點擊右邊的工程師,或者點擊銷售經理給您精準的報價以及產品介紹

