LM358是一種應用及其廣泛的雙運算放大器,它具有價格低,電壓范圍廣等優勢。本文將介紹由LM358組成的電路設計。
一、1kHz文氏橋信號發生器
由LM358組成的1kHz文氏橋信號發生器

圖1 LM358的1kHz文氏橋信號發生器電路圖
如圖1是由LM358雙運算放大器及Rl~R15,Cl~C5等元件組成的lkHz信號發生器。文氏橋(C2、C3、R4和R6)產生的lkHz弱信號,經Al放大,然后,通過A2、A3兩個運放用作緩沖放大,這兩個運放輸出反相,因而使單端轉換成雙端平衡輸出。
二、單電源變雙電流電路
用LM358構成的單電源變雙電流電路
利用運放組成的單電源變雙電流電路如圖2所示,可將40V直流電壓變換成±15V直流電壓。當負載電流在200mA時,電壓穩定度不低于0.1%。電路由分壓器、電壓跟隨器和并聯調整器組成。R1、Rw、R3組成分壓器,將40V直流電進行分壓,由Rw動臂取出送入運放的同相輸入端。由于運放為反相輸入端與地線相連接,則運放通過VT1、VT2的b-e結形成電壓跟隨器電路。VT1、VT2分別為-15V和+15V電壓調整管。運放輸出在R3上產生的壓降作為VT1、VT2的發射結偏置電壓,使VT1、VT2處于導通狀態,調節RW的動臂可使輸出的正負電壓得一調整。使用該電路時輸入的直流電源必須懸浮,即不能有任何一端接地。

圖2 由LM358組成的單電源變雙電流電路圖
三、全自動交流穩壓電源電路
用LM358的全自動交流穩壓電源電路
這是一種由交流伺服系統控制的全自動交流穩壓電源。當輸入電壓或負載改變而引起輸出電壓變化時,它能迅速自動調整,使輸出電籃穩定在220V。它適用的交流輸入電壓變化范圍為165~245V,最大輸出功率為3000W,最大輸出電流可達3.6A,電源工作效率大于98%。其電路如圖3所示。

圖3 由LM358的全自動交流穩壓電源電路圖
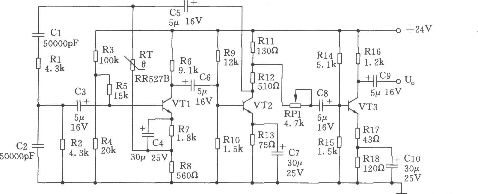
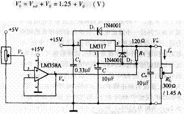
四、大電流線性分壓器電路
用LM317和LM358構成的大電流線性分壓器電路
LM358為單電源通用集成運放,LM317為正電壓可調集成三端穩壓器。LM358接成電壓跟隨器,輸出電壓跟隨分壓器的輸出電壓V0。電壓跟隨器的輸入電阻Ri≥400MΩ(Ri相當于分壓器的負載電阻RL),輸出電阻R0≤1Ω。滿足(RL/R)→∞的條件(R為數字電位器的額定阻值),故從根本上消除了傳感器負載特性的非線性。
根據LM317的內部電路結構和工作原理可知,穩壓電路的輸出電壓可寫為:

圖4 大電流線性分壓器電路
因LM317具有優良的穩壓性能(電流調整率約為0.3%),故允許負載回路電流I′0在零到LM317的最大輸出電流之間變化。常見的LM317的最大輸出電流在100mA至數安培不等(與LM317的具體型號有關)。
綜上,本設計既從根本上消除了分壓器負載特性的非線性,又很好地解決了分壓器負載能力弱的問題。
在圖4中,電容C1和C0分別為穩壓電路的輸入電容和輸出電容;二極管D1、D2均為LM317的保護二極管;電容C用于濾除電壓跟隨器輸出電壓中的紋波和干擾。
測試表明:該電路充分利用了集成三端穩壓器穩壓性能好、輸出電流大的優點,輸出50mA電流時的最大非線性誤差只有0.4%(用LM317T)和0.7%(用LM317L),作為大電流線性分壓器具有良好的性能。
五、紅外線探測報警器
該報警器能探測人體發出的紅外線,當人進入報警器的監視區域內,即可發出報警聲,適用于家庭、辦公室、倉庫、實驗室等比較重要場合防盜報警。

圖5 紅外線探測報警器電路圖
該裝置電路原理見圖5。由紅外線傳感器、信號放大電路、電壓比較器、延時電路和音響報警電路等組成。紅外線探測傳感器IC1探測到前方人體輻射出的紅外線信號時,由IC1的②腳輸出微弱的電信號,經三極管VT1等組成第一級放大電路放大,
再通過C2輸入到運算放大器IC2中進行高增益、低噪聲放大,此時由 IC2①腳輸出的信號已足夠強。IC3作電壓比較器,它的第⑤腳由 R10、VD1 提供基準電壓,當IC2①腳輸出的信號電壓到達IC3的⑥腳時,兩個輸入端的電壓進行比較,此時IC3的⑦腳由原來的高電平變為低電平。IC4為報警延時電路,R14和C6組成延時電路,其時間約為 1 分鐘。當 IC3 的⑦腳變為低電平時,C6通過VD2 放電,此時IC4的②腳變為低電平,它與IC4的③腳基準電壓進行比較,當它低于其基準電壓時,IC4的①腳變為高電平,VT2導通,訊響器BL通電發出報警聲。人體的紅外線信號消失后,IC3的⑦腳又恢復高電平輸出,此時VD2截止。由于C6兩端的電壓不能突變,故通過R14向C6緩慢充電,當C6兩端的電壓高于其基準電壓時,IC4 的①腳才變為低電平,時間約為1分鐘,即持續1分鐘報警。
由VT3、R20、C8組成開機延時電路,時間也約為1分鐘,它的設置主要是防止使用者開機后立即報警,好讓使用者有足夠的時間離開監視現場,同時可防止停電后又來電時產生誤報。
該裝置采用9-12V直流電源供電,由T降壓,全橋U整流,C10濾波,檢測電路采用IC5 78L06供電。本裝置交直流兩用,自動無間斷轉換。
六、高端電流檢測電路
直接把取樣電阻的電壓送入單片機AD,這樣有兩個不好的地方,第一,電流小的時候取樣電阻兩端的電壓小,AD轉換器可能需要較高的靈敏度才能檢測到、第二,由于是低端檢測,電源輸出和輸入不能共地,還會影響到輸出電壓的穩定(穩壓輸出=取樣電阻的電壓+實際輸出電壓)。
所以就設計了高端檢測電路,如下:

圖6 高端電流檢測電路圖
里面有個用藍色框框圍著的電阻R9在實際應用中不能缺少,不然LM358至少會輸出0.7V的電壓,,加上這顆電阻后沒有電流的時候就是0v了,這個問題困擾了我一天,不過這個電路還有缺陷,如果輸出電壓高的話,當沒有電流的時候LM358依然會有輸出。
圖中用7809代替了實際的3R33穩壓電路,3R33的電壓取樣電路要放在取樣電阻后面,這樣輸出才是穩定的。
實際運行情況

圖7 實際運行圖
電話:18923864027(同微信)
QQ:709211280
〈烜芯微/XXW〉專業制造二極管,三極管,MOS管,橋堆等,20年,工廠直銷省20%,上萬家電路電器生產企業選用,專業的工程師幫您穩定好每一批產品,如果您有遇到什么需要幫助解決的,可以直接聯系下方的聯系號碼或加QQ/微信,由我們的銷售經理給您精準的報價以及產品介紹

