本文介紹了采用表面貼裝封裝設計LITTLEFOOT?功率MOSFET的過程。它描述了功率MOSFET的驅動電感性負載,公共柵極驅動器以及磁盤驅動器應用以及公共柵極級的驅動電容性負載。
標準概述的8引腳SOIC封裝(圖1)具有銅引線框架,可最大程度地提高熱傳遞,同時保持與現有表面貼裝技術的完全兼容性。互補的n通道和p通道Si9942DY LITTLE FOOT器件可用于直接驅動電感性負載,例如電動機,螺線管和繼電器,或者用作低阻抗緩沖器來驅動較大功率的MOSFET或其他電容性負載。

小腳包裝尺寸
小腳設備在各種低壓電動機驅動應用中提供了可測量的優勢。在計算機硬盤中,諸如磁道密度,尋道時間和功耗之類的關鍵特征與主軸電機和磁頭致動器驅動電路的效率直接相關。
磁盤驅動器必須從計算機系統提供的低壓電源(傳統上,穩壓良好的12 V電源)中獲取最大的電動機性能。復雜的全功能便攜式計算機的出現帶來了電池驅動系統(和5V操作)的新性能期望。
Si9942DY還可以在功率轉換應用中用作緩沖級,以在現代設計中使用的高頻下驅動高電容功率MOSFET柵極。
例如,通過使用Si9942DY來緩沖高效CMOS PWM控制器的輸出,可以以大于1 MHz的速率有效地切換超過3000 pF的電容負載。這種開關能力極大地擴展了CMOS開關模式IC的輸出功率范圍。
驅動感性負載
當使用功率MOSFET驅動感性負載時,否則可能會引起次要關注的幾個參數變得非常重要。感性負載的一個特征是反激能量。當電感器驅動電流中斷時,除非使用二極管鉗位電壓并使感性反激電流續流,否則會導致損壞的反激電壓。
每個功率MOSFET都包含一個快速恢復的本征二極管,可用作感應反激能量的可靠而有效的鉗位。在使用MOSFET反向特性時特別重要的是其固有的二極管規格-V SD(反向源極-漏極電壓,即二極管正向壓降)和t rr(反向恢復時間)。
通過二極管鉗位環流的反激電流等于電動機電流,該電流在電動機加速或制動期間達到其最大水平。
盡管鉗位二極管中的功率損耗(V SD乘以再循環電流)僅占占空比的一小部分,但如果正向壓降過大,則可能對MOSFET的整體發熱做出重大貢獻。
在MOSFET的最大(連續)正向漏極電流額定值下,每個半橋的n溝道和p溝道器件都規定了最大正向壓降1.6V。

鉗位感應反激能量
當驅動器在同一路徑中重新啟用時,盡管反激電流仍在相對的鉗位二極管中循環,但必須在二極管恢復并阻止電壓之前進行重新組合(圖2)。

鉗位感應反激能量
通用門驅動
同時導通的常見原因是將p溝道和n溝道柵極連接在一起并從公共邏輯信號驅動它們。盡管這對于電容性負載或較低電壓系統可能是完全可接受的柵極驅動方法,但當以跨接橋的方式驅動12 V的電感性負載時,可能會導致過大的交叉電流。
如果柵極被共同驅動,則將得到正確的輸出狀態。但是,這樣做的代價是,當公共柵極電壓在大約2 V(n通道閾值電壓)和8 V(12 V減去p通道閾值電壓)之間轉換時,由于兩個器件都部分導通而引起的電流尖峰的代價)。
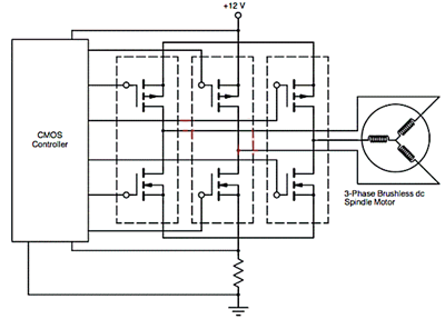
磁盤驅動器應用
將雙MOSFET與p溝道和n溝道器件配合使用,可以使用最簡單的柵極驅動電路,因為兩個柵極都可以接地或12 V電源。
通常用于驅動主軸電機(圖3)或磁頭致動器(圖4)各相的半橋直接由由相同12 V電源供電的標準CMOSlogic器件的輸出直接驅動。
盡管CMOS邏輯器件的相對較高的輸出阻抗不會足夠硬地驅動半橋的電容性柵極以達到最大開關速度,但這種組合將提供足夠快的轉換速率,從而導致可容忍的開關損耗。
用較低阻抗的驅動器驅動功率MOSFET柵極將導致更快的過渡速率并進一步減少開關損耗。然而,設計人員通常被迫在開關損耗和增加的EMI / RFI之間取得平衡。在旋轉磁盤驅動器存儲器中,這尤其值得關注。

12V,三相永磁無刷電動機驅動器

12V H橋執行器驅動器
潛水電容負載
高效CMOS器件是功率MOSFET低損耗功率處理能力的自然補充。但是,CMOS輸出具有相對較高的阻抗,而功率MOSFET柵極具有較高的電容性。如果需要高頻,則必須使用某種類型的柵極驅動緩沖器。柵極電容很容易由標準CMOS輸出驅動,而單級互補對則增加了最小的延遲。
電話:18923864027(同微信)
QQ:709211280
〈烜芯微/XXW〉專業制造二極管,三極管,MOS管,橋堆等,20年,工廠直銷省20%,上萬家電路電器生產企業選用,專業的工程師幫您穩定好每一批產品,如果您有遇到什么需要幫助解決的,可以直接聯系下方的聯系號碼或加QQ/微信,由我們的銷售經理給您精準的報價以及產品介紹

