場效應管的特性
下面以N溝道結型場效應管為例說明場效應管的特性。
圖1.1為場效應管的漏極特性曲線。輸出特性曲線分為三個區:可變電阻區、恒流區和擊穿區 。

( 1) 可變電阻區: 圖中VDS很小,曲線靠近左邊。它表示管子預夾斷前電壓.電流關系是:當VDS較小時,由于VDS的變化對溝道大小影響不大,溝道電阻基本為一常數,ID基本隨VGS作線性變化。
當VGS恒定時,溝道導通電阻近似為一常數,從此意義上說,該區域為恒定電阻區,當VGS變化時,溝道導通電阻的值將隨VGS變化而變化,因此該區域又可稱為可變電阻區。利用這一特點,可用場效應管作為可變電阻器 。
(2)恒流區:圖中VDS較大,曲線近似水平的部分是恒流區,它表示管子預夾斷后電壓.電流的關系,即圖1.1兩條虛線之間即為恒流區(或稱為飽和區)該區的特點是ID的大小受VGS可控, 當VDS改變時ID幾乎不變,場效應管作為放大器使用時,一般工作在此區域內。
(3)擊穿區:當VDS增加到某一臨界值時,ID開始迅速增大, 曲線上翹, 場效應管不能正常工作,甚至燒毀,場效應管工作時要避免進入此區間。
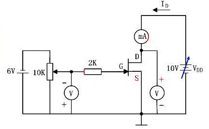
(4)場效應管特性曲線的測試

場效應管的特性曲線可以用晶體管圖示儀測試,也可以用逐點測量法測試。圖1.2是用逐點測量法測試場效應管特性曲線的原理圖。場效應管的轉移特性曲線是當漏源間電壓VDS保持不變,柵源間電壓VGS與漏極電流ID的關系曲線,如圖1.3所示:

在上圖中,先調節VDD使VDS固定在某個數值上,當柵源電壓VGS取不同的電壓值時(調節RW),ID也將隨之改變,利用測得的數據,便可在VGS~ID直角坐標系上畫出如圖3.2.3的轉移特性曲線。
當VDS取不同的數值,便可得到另一條特性曲線。ID=0時的VGS值為場效應管的夾斷電壓VP,VGS=0時的ID值為場效應管的飽和漏極電流IDSS。

漏極特性曲線是當柵源間電壓VGS保持不變時,漏極電流ID與漏源間電壓VDS的關系曲線,當VDS取不同的數值時便可測出與之對應的ID值,對于不同的VGS可以測得多條漏極特性曲線。
晶體管是電流控制器件,作放大器件用時,發射結必須正偏。場效應管是電壓控制器件,N溝道結型場效應管工作時G、S間必須加反向偏置電壓。
場效應管的特點
1.場效應管是電壓控制器件,柵極基本不取電流,而晶體管是電流控制器件,基極必須取一定的電流,應此對于信號源額定電流極小的情況下,常選用場效應管。
2.場效應管是多子導電,晶體管是兩種載流子參與導電。但少子受環境影響明顯。
3.場效應管FET和晶體管BJT一樣具有放大作用,而且這兩種放大元件間存在著電極對應關系G-b,S-e,D-c。因此根據BJT電路,即可得到與之對應的FET放大電路。但不能簡單地加以替換,否則有時電路不能正常工作。場效應除作放大器件及可控開關外還可作壓控可變線性電阻使用。
4.場效應管S極和D極是對稱的,可以互換使用,耗盡型MOS管柵源電壓可正可負使用比晶體三極管靈活。
5.場效應管組成放大電路時與晶體管一樣,必須選擇合適的靜態工作點,柵極必須有合適的偏壓,但不出現偏流,對不同類型場效應管對偏壓的極性要求不同,特列如下:

注:JFET表示結型場效應管,DMOS表示耗盡型場效應管;EMOS表示增強型場效應管。
〈烜芯微/XXW〉專業制造二極管,三極管,MOS管,橋堆等,20年,工廠直銷省20%,上萬家電路電器生產企業選用,專業的工程師幫您穩定好每一批產品,如果您有遇到什么需要幫助解決的,可以直接聯系下方的聯系號碼或加QQ/微信,由我們的銷售經理給您精準的報價以及產品介紹
聯系號碼:18923864027(同微信)
QQ:709211280

