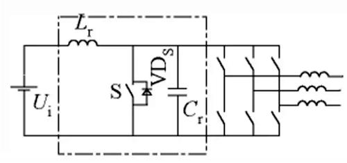
準諧振電路,原理圖
準諧振電路中電壓或電流的波形為正弦半波,因此稱為準諧振。是最早出現的軟件開關電路。
特點:
諧振電壓峰值很高,要求器件耐壓必須提高;
諧振電流有效值很大,電路中存在大量無功功率的交換,電路導通損耗加大;
諧振周期隨輸入電壓、負載變化而改變,因此電路只能采用脈沖頻率調制方式來控制。
1.零電壓開關準諧振電路(Zero-Voltage-Switching Quasi-Resonant Converter -ZVS QRC)


2.零電流開關準諧振電路(Zero-Current-Switching Quasi-Resonant Converter -ZCS QRC)


3.電壓多開關諧振電路(Zero-Voltage-Switching Multi-Resonant Converter -ZCS MRC)


4.用于逆變器諧振直流環電路

〈烜芯微/XXW〉專業制造二極管,三極管,MOS管,橋堆等,20年,工廠直銷省20%,上萬家電路電器生產企業選用,專業的工程師幫您穩定好每一批產品,如果您有遇到什么需要幫助解決的,可以直接聯系下方的聯系號碼或加QQ/微信,由我們的銷售經理給您精準的報價以及產品介紹

〈烜芯微/XXW〉專業制造二極管,三極管,MOS管,橋堆等,20年,工廠直銷省20%,上萬家電路電器生產企業選用,專業的工程師幫您穩定好每一批產品,如果您有遇到什么需要幫助解決的,可以直接聯系下方的聯系號碼或加QQ/微信,由我們的銷售經理給您精準的報價以及產品介紹
聯系號碼:18923864027(同微信)
QQ:709211280

