
傳真:
18923864027
QQ:
709211280
地址:
深圳市福田區振中路84號愛華科研樓7層
數字電路cmos型與ttl型門電路解析一、CMOS門電路CMOS 門電路一般是由MOS管構成,由于MOS管的柵極和其它各極間有絕緣層相隔,在直流狀態下
PWM直流電機轉速控制器電路圖介紹本例電路由LM324和MOS管組成,通過改變輸出方波的占空比,使得負載上的平均接通時間從0到100%變化,以達到
鋰電池充電與充電保護電路介紹通過鋰電池向電路系統提供3 3V電壓,并具備USB充電功能及過充保護功能.USB充電采用TP4056芯片電路實現.TP40
交錯并聯全橋LLC電路的工作原理介紹該電路一般用于輸入線電壓為380V的三相整流模塊的DC-DC變換電路。對于此類整流模塊,母線電壓一般在800V
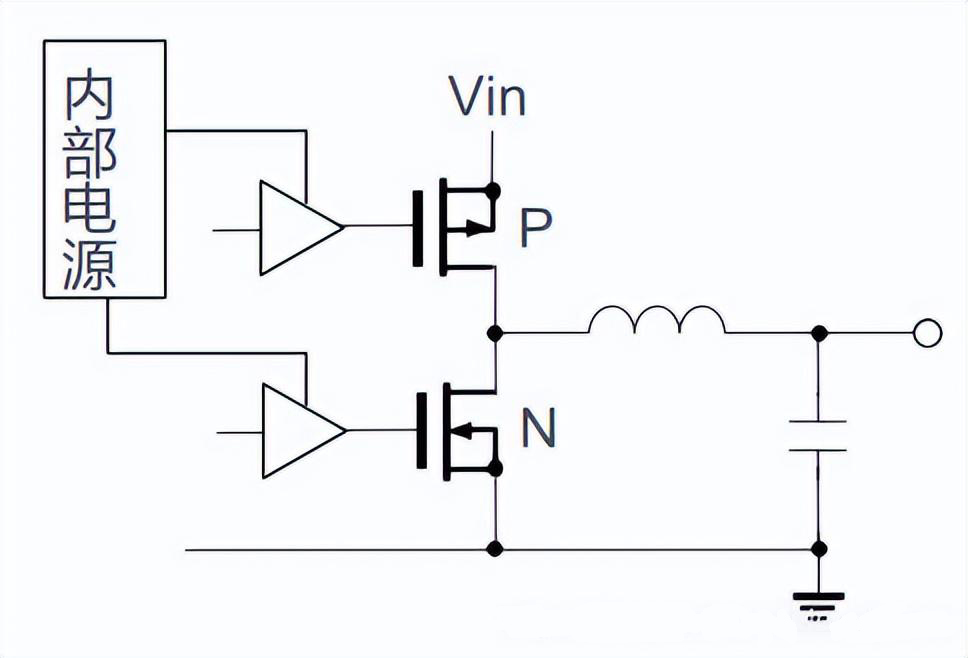
Buck降壓型開關穩壓器自舉電路介紹在Buck開關中,常使用N-MOS管作為功率開關管。相比于P-MOS,N-MOS具有導通電阻低價格便宜且流過電流較大等
關于BOOST電路中二極管的作用介紹在電力電子中,最基本的BOOST電路圖如下:圖1 BOOST電路圖【注】圖中器件數據不準確,僅參考該電路拓撲加
怎么精準區分MOSFET和BJTMOSFET與BJT區別MOSFET是電壓驅勱,雙極型晶體管(BJT)是電流驅勱。(1)只容許從信號源叏少量電流的情況下,選用
OC門電路與OD門電路原理介紹1、OC門OC門和OD門它們的定義如下:OC:集電極開路(Open Collector)OD:漏極輸出(Open Drain)這是相對于兩個
通用電阻的一般用途介紹Resistor----通用電阻一般用途1 限流電阻用于限制晶體管的基本電流和LED電流。如圖2-1通過設定阻值,來限制電流在適
電源防反接電路設計方案介紹NMOS防反接:PMOS防反接在實際應用中,G極一般串聯一個電阻,防止MOS管被擊穿,也可以加上穩壓二極管,并聯在分
異步DCDC中的自舉電容介紹下面,我們通過一幅圖來看一下,對于異步 DCDC 芯片,它的自舉電容的充電回路是怎么樣的,因為異步 DCDC 沒有
開關電源MOS開關損耗推導過程介紹電源工程師們都知道開關MOS在整個電源系統里面的損耗占比是不小的,開關mos的的損耗我們談及最多的就是開