一、驅動電阻的關鍵作用
(一)提供阻尼
在MOSFET開通瞬間,驅動電阻通過提供足夠的阻尼來阻尼驅動電流的震蕩,確保MOSFET能夠平穩地開通。當MOSFET開通時,如果沒有適當的阻尼,驅動電流可能會產生振蕩,這種振蕩不僅會影響MOSFET的正常工作,還可能導致電磁干擾(EMI),影響整個電路的穩定性。驅動電阻能夠有效地抑制這些振蕩,使MOSFET的開通過程更加平穩。
(二)防止誤開通
在MOSFET關斷時,驅動電阻能夠限制由于dV/dt產生的電流,防止MOSFET因誤開通而損壞。當MOSFET關斷時,漏源電壓會迅速上升,如果此時柵極與源極之間的電壓受到dV/dt的影響而產生波動,可能會導致MOSFET誤開通。驅動電阻能夠限制這種波動產生的電流,從而降低誤開通的風險,保護MOSFET免受損壞。
二、驅動電阻的常見連接方式及影響
通常,在MOSFET的柵極上串聯一個Rg電阻或將它接在MOSFET的柵極與驅動電路之間,這是常見的做法。這種連接方式能夠衰減柵極上出現的振蕩,但會降低轉換器的效率。這是因為驅動電阻會消耗一部分驅動能量,尤其是在高頻驅動的情況下,這部分損耗會更加明顯。
(一)驅動頻率對Rg的影響
一般情況下,驅動頻率越高,閾值電壓降低,對效率要求越高,Rg需要減小。隨著驅動頻率的升高,MOSFET的開關速度加快,對驅動電路的效率要求也相應提高。如果Rg過大,會導致驅動電壓上升較慢,增加MOSFET的開關損耗,降低轉換器的效率。因此,在高頻驅動應用中,需要適當減小Rg的值,以滿足效率要求。
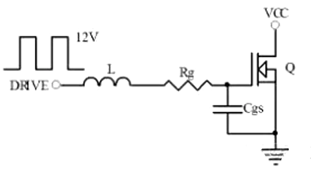
(二)等效驅動電路分析


L為PCB走線電感,一般直走線為1nH/mm,考慮各種因素,取L=Length+10(nH),其中Length單位取mm。Rg為柵極驅動電阻,設驅動信號是12V峰值的方波,Cgs為MOSFET柵源極電容,不同管子及不同的驅動電壓會不一樣,取1nF。則根據KVL方程,有VL+VRg+VCgs=12V。

Rg的最小驅動電阻計算


Rg的最小驅動電阻計算

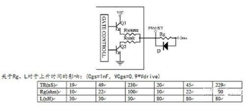
當Rg較小時,驅動電壓上沖會比較高,震蕩會比較多,L越大越明顯,此時會對MOSFET及其他器件性能產生影響。例如,過高的電壓上沖可能導致MOSFET的柵極氧化層擊穿,而頻繁的震蕩可能會增加電磁干擾,影響電路的可靠性。但是,當Rg阻值過大時,驅動波形上升較慢,當MOSFET有較大電流通過時會有不利影響,如增加開關損耗,降低轉換效率。
當L比較小時,此時驅動電流的峰值比較大,而一般IC的驅動電流輸出能力都是有一定限制的。當實際驅動電流達到IC輸出的最大值時,此時IC輸出相當于一個恒流源,對Cgs線性充電,驅動電壓波形的上升率會變慢。電流曲線可能會出現一個小的臺階或毛刺,這可能對IC的可靠性產生影響,如增加IC的功耗,甚至導致IC過熱損壞。


三、驅動電阻的計算方法
(一)驅動電阻下限值的計算
計算原則
驅動電阻必須在驅動回路中提供足夠的阻尼,來阻尼MOSFET開通瞬間驅動電流的震蕩。足夠的阻尼能夠確保MOSFET平穩地開通,避免因電流振蕩而導致的電磁干擾和器件損壞。


計算步驟
確定MOSFET的寄生電容Cgs。一般可在MOSFET的數據手冊中查到,通常在幾nF到幾十nF之間。
估算驅動回路的感抗Lk。包含MOSFET引腳、PCB走線、驅動芯片引腳等的感抗,一般在幾十nH左右。
根據LC振蕩電路的特性,通過公式計算出驅動電阻Rg的下限值。LC振蕩電路的阻抗公式為Z=Rg+j(XL-XC),其中XL=2πfLk,XC=1/(2πfCgs)。為了使系統處于過阻尼狀態,即阻尼比大于1,需要滿足Rg>2*(Lk/Cgs)^(1/2)。通過這個公式,可以計算出Rg的下限值。
注意事項
實際設計時,一般先根據公式計算出Rg下限值的大致范圍,然后再通過實驗,以驅動電流不發生震蕩作為臨界條件,得出Rg的下限值。因為實際電路中還存在其他因素,如PCB走線的寄生參數、驅動芯片的輸出特性等,會對計算結果產生一定的影響。
(二)驅動電阻上限值的計算
計算原則
防止MOSFET關斷時產生很大的dV/dt,使得MOSFET再次誤開通。過大的dV/dt會在MOSFET的柵極與源極之間感應出電壓,如果這個電壓超過MOSFET的門檻電壓,就會導致誤開通。
計算步驟
確定MOSFET的寄生電容Cgd和門檻電壓Vth。均可在數據手冊中查到,Cgd一般在零點幾nF到幾nF之間,Vth一般在1V到5V之間。
估算MOSFET關斷時漏源級電壓的上升時間。該時間一般也在數據手冊中可查,通常在幾十ns到幾百ns之間。
根據公式i=Cgd*(dV/dt)計算出在Cgd上產生的電流igd。其中,dV/dt可以通過漏源級電壓的上升時間和電壓變化量來估算,一般取dV/dt=Vds_rise/tr,其中Vds_rise為漏源電壓的變化量,tr為上升時間。
再根據公式Vgoff=IgdxRg計算出在GS間產生的電壓,確保該電壓不高于MOSFET的門檻電壓Vth。即Rg<=Vth/igd。
注意事項
通過以上步驟,可以計算出驅動電阻Rg的上限值。在實際應用中,還需要考慮其他因素,如開關損耗、EMI等,來進一步優化阻值的選取。例如,為了降低開關損耗,可能需要適當減小Rg的值,但同時要保證不超過上限值,以避免誤開通。
四、MOS管驅動電阻的典型取值
MOS管的驅動電阻一般為幾十歐姆。對于不同規格的MOS管,驅動電阻的選擇有所不同:
高壓小電流的MOS管:GS柵極驅動電阻一般取100Ω-500Ω。這類MOS管通常應用于高電壓、小電流的電路中,如高壓開關電源、電機驅動等。較大的驅動電阻可以有效地抑制dV/dt產生的誤開通,同時對驅動電流的要求相對較低。
低壓大電流的MOS管:GS柵極驅動電阻一般取10Ω-100Ω,其中20Ω和30Ω是比較常見的取值。低壓大電流MOS管常用于低電壓、大電流的電源轉換電路中,如DC-DC變換器、電池充電器等。較小的驅動電阻能夠快速地驅動MOS管開通和關斷,降低開關損耗,提高轉換效率。
在實際應用中,還需要根據具體的電路要求和MOS管的參數,通過實驗和仿真來優化驅動電阻的取值,以達到最佳的電路性能。
〈烜芯微/XXW〉專業制造二極管,三極管,MOS管,橋堆等,20年,工廠直銷省20%,上萬家電路電器生產企業選用,專業的工程師幫您穩定好每一批產品,如果您有遇到什么需要幫助解決的,可以直接聯系下方的聯系號碼或加QQ/微信,由我們的銷售經理給您精準的報價以及產品介紹
〈烜芯微/XXW〉專業制造二極管,三極管,MOS管,橋堆等,20年,工廠直銷省20%,上萬家電路電器生產企業選用,專業的工程師幫您穩定好每一批產品,如果您有遇到什么需要幫助解決的,可以直接聯系下方的聯系號碼或加QQ/微信,由我們的銷售經理給您精準的報價以及產品介紹
聯系號碼:18923864027(同微信)
QQ:709211280

