
傳真:
18923864027
QQ:
709211280
地址:
深圳市福田區振中路84號愛華科研樓7層
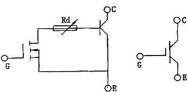
igbt工作原理及接線圖igbt簡介igbt工作原理及接線圖,我們先了解一下igbt是什么?IGBT是Insulated Gate Bipolar Transistor(絕緣柵雙極
小功率場效應管小功率MOS場效應晶體管,即MOSFET,其原意是:MOS(Metal Oxide Semiconductor金屬氧化物半導體),FET(Field Effect T
場效應管irf3205IR的HEXFET功率場效應管irf3205采用先進的工藝技術制造,具有極低的導通阻抗。場效應管irf3205這種特性,加上快速的轉換速
to263貼片mos管引腳圖MOS管封裝說明MOSFET芯片在制作完成之后,需要給MOSFET芯片加上一個外殼,即MOS管封裝。MOSFET芯片的外殼具有支撐、保護
mos恒流電路mos恒流電路,由信號源和電壓控制電流源(VCCS)兩部分組成。正弦信號源采用直接數字頻率合成(DDS)技術,即以一定頻率連續從E
MOSFET簡介MOSFET的全稱為:metal oxide semiconductor field-effect transistor,中文通常稱之為,金屬-氧化層-半導體-場效晶體管 MOS
mosfet驅動mosfet驅動,跟雙極性晶體管相比,一般認為使MOS管導通不需要電流,只要GS電壓高于一定的值,就可以了。這個很容易做到,但是,我
MOS管MOS管是金屬(metal)—氧化物(oxide)—半導體(semiconductor)場效應晶體管,或者稱是金屬—絕緣體(insulator)—半導體。MOS管的source
mos管mos管是金屬(metal)—氧化物(oxide)—半導體(semiconductor)場效應晶體管,或者稱是金屬—絕緣體(insulator)—半導體。MOS管的source
場效應mos管場效應晶體管(Field Effect Transistor縮寫(FET))簡稱場效應管。主要有兩種類型(junction FET—JFET)和金屬 - 氧化物半
mos管散熱器mos管散熱器,大功率逆變器MOS管,工作的時候,發熱量非常大,如果MOS管散熱效果不好,溫度過高就可能導致MOS管的燒毀,進而可
5a mos管mos管是金屬(metal)—氧化物(oxide)—半導體(semiconductor)場效應晶體管,或者稱是金屬—絕緣體(insulator)—半導體。MOS管的sou